钢结构
对于高装配率的建筑而言,钢结构有着自己天然的优势:抗震性能好、节约能源、绿色环保……自2013年起,国家多次从政策层面提出大力发展钢结构建筑的要求。作为未来行业发展的趋势,钢结构建筑成为众多施工方的选择。

钢结构企业生产制造面临诸多挑战
生产管理 :如何实现从接单、设计、排产、领料、生产、入库到发货全流程无缝衔接,合理排产,提高生产效率? 仓储管理 :如何科学备料,在支持生产流程提速的同时,将库存产品的资金占用降到最低? 质量管理:如何全面采集和分析质量数据,为进一步的质量提升和绩效考核提供基础? 设备管理:如何科学安排维检修,及时处理故障报修,从而提升设备的可用率和投资效率? 客情管理:如何能做到生产透明,从而随时可以回答客户对交期的疑问? 运营优化:管理人员如何随时随地就能获知全厂运营数据和关键指标,从而随时调整以达到“交期-成本-质量”的平衡?
维宏钢结构行业 智能制造解决方案 维宏CNC:丰富的板切、管切、折弯、钻孔功能 WiseCAM:丰富的板切、管切套料功能 维宏PLC:易学易用、灵活扩展、支持深度定制 xFactory-MOM:扩展的MES,可对接ERP/CAM/PLC/CNC,满足企业全方位运营管理 xFactory-FMS:柔性产线中控低代码平台,可对接ERP/CAM/MES和现场设备,适合复杂柔性单元/产线的控制与调度
以信息流驱动工作流和物流,实现生产过程的全程透明、可控、可优化。
维宏CNC:专业欧陆娱乐切割系统,工艺更全面
维宏股份通过优化加工工艺,进一步提升钢结构生产效率。
批量加工功能
三卡盘、四卡盘厚管切割

维宏欧陆娱乐管材切割控制系统三卡盘、四卡盘功能可实现高品质钢结构厚管切割,支持自动上下料加工。
支持多种管材切割 标准管材:方管、圆管、椭圆管、腰型管、角钢、槽钢; 异型管:8字管、D型管、半圆、多边形、H钢、T字钢等。
维宏平面坡口解决方案

维宏平面坡口解决方案支持X/Y/K/V等基础坡口类型,同时对渐变坡口、斜贯坡口等坡口方式也提供专业支持;维宏LS20A平面坡口系统通过五轴RTCP控制算法,保证不同角度不同喷嘴零件切割的尺寸统一稳定,针对板材变形等离子切割材料利用率低等痛点问题做了针对性的解决方案。

随动补偿 …
自动调整不同切割高度的XY加工位置,解决坡口倾斜状态下跟随不准问题。
WiseCAM:配套欧陆娱乐排版软件,加工更便捷

令导入更加方便快捷:装配体拆分
例 加工需求单 管型:方管 文件:igs或stp文件 产品:方管框架.igs或.stp 自行车雨棚
WiseCAM Tube维宏欧陆娱乐管材切割控制系统支持igs、stp文件的导入。用户可直接将钢结构装配体导入软件,软件自动识别出其中的钢材零件,无需人工拆数模,方便快捷。
优化加工方式,助力钢结构用户无忧加工
法向自动调整 …
钢结构在加工时,遇到零件拐角部位容易发生碰撞或者影响加工质量。WiseCAM Tube的法向调整,让钢材的加工更加安全可靠。

WiseCAM Tube为钢结构行业提供了钢材自动调整法向功能,软件可以一键推荐最合适的加工法向,无需人工干预即可轻松完成加工。 法向同时也支持手动调整,为生产企业的工艺调试提供最大的自由度。
跨棱微调 …

对于钢结构行业中较常用到的工字钢、C型钢等WiseCAM提供了跨棱微调功能,操作简易,降低用户使用门槛,在跨棱的位置提前偏转切割角度,另加工更加安全平滑。
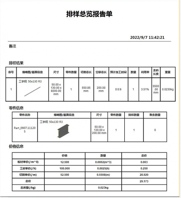
信息量庞大的加工报告单 令生产管理井然有序
WiseCAM Tube提供丰富的报告数据,包括加工效率数据、材料用量数据、产量数据及报价数据,为各家钢结构生产企业提供有力的生产管理数据支持。
WiseCAM Tube提供丰富的报告数据,包括加工效率数据、材料用量数据、产量数据及报价数据,为各家钢结构生产企业提供有力的生产管理数据支持。 企业利用报告单,可以更加合理地规划生产,合理化运营管理,提高企业能效。
xFactory-FMS:柔性制造单元,产线的神经中枢
xFactory-FMS柔性产线中控低代码平台,作为轻量级智能制造自动化系统,凭借其先进的低代码控制技术和文件传输技术,可有效赋能钢结构加工产线实现柔性化升级。 产线中控系统不仅满足离散加工厂的个性化生产需要,还能极大降低人力成本和运营成本,提高生产效率,并从整体上提升工厂的综合竞争力。 以配置化+低代码提供最大的灵活性
提供工序调度算法自定义,技术人员采用简单的脚本即可实现产线的调试与调整。 提供看板的图形化编辑,用户无编程即可根据自身业务和管理特点设定个性化的产线看板。
全面的设备监控 从设备状态、报警信息,到生产状态和OEE、开机率等关键效率指标的统计。 自定义智能报警,满足用户特殊的设备管理需求。
完整的工艺文件和配方管理 工艺文件集中管控。 工艺参数“一键切换。
xFactory-MOM:智能制造的关键,制造运营管理 xFactory-MOM支持多产线、多流程、多工艺的并行处理,具备更加丰富的管理能力,兼容人工和自动工位。 
支持大屏看板、手机移动办公、远程登录等丰富的办公模式 ,支持云化部署 ,主要应用于人/机复合产线、车间、全厂。
数字化打造的“透明工厂” 电子工单对接ERP/订单管理、CAD、CAM等相关系统,汇集所有生产信息后直达备料、生产、质检各环节。
手机/PDA/pad在线查询工作指令、在线报工,在线质检,所有信息实时汇总统计,订单生产进度、人员/设备绩效一目了然。
物联网+信息化打造完备的设备管理
实时采集设备状态和报警,完整的维检修计划管理和工单驱动,保障日常基础维护。 设备台账清晰,维检修履历可查,加快相似问题的处理速度;更高的设备可用率,有助于提升设备投资的使用效率。
信息化仓库,自动齐套 自动化料仓和厂内物流 可配合扫码/RFID技术和自动化库房/货架,以及AGV/机械手等厂内物流 。
仓储信息全面详实,可管理到每个工位/仓位,自动校验生产计划中的物料计划,在校验中还可以综合考虑在制的半成品,进而可能辅助修正排产计划。
无论是提供技术服务亦或进行产品研发,维宏始终坚持以客户为中心,充分重视客户的差异化需求。随着钢结构行业持续升级,维宏股份携手行业同仁助推钢结构标准化、通用化、信息化与智能建造,促进行业精益生产!
转载请注明出处。








相关文章
热门资讯
精彩导读



















关注我们




