阅读 | 订阅
阅读 | 订阅
传感器

新能源汽车市场“风头正盛”,助力传感器迎来“第二春”

星之球科技 来源:控制与传动2016-09-05 我要评论(0 )   

当前我国正值新能源汽车大力推广时期,下游产业链市场也开始了大规模的扩容。从新能源汽车“十三五”发展规划来看,到2020年我国将建设集中式充电站1.2万座、分布式充电...

当前我国正值新能源汽车大力推广时期,下游产业链市场也开始了大规模的扩容。从新能源汽车“十三五”发展规划来看,到2020年我国将建设集中式充电站1.2万座、分布式充电桩450万个,满足500万辆新能源汽车的发展。根据这个数据估算,到2020年,针对小功率充电模块大概会有接近200万个需求,这就使得电量传感器在充电设备的应用将会达到亿元。
 
新能源电动汽车的共性关键技术代表了未来汽车能源和动力技术的发展走向。为增强各国在未来能源与交通技术方面的竞争力,各国都从不同的角度对技术研发进行支持。其除了较高的研发费用外,新能源电动汽车由于用了新的零部件,增加了其生产费用,如新能源电动汽车实用的高能量动力电池目前尚未大批量产业化,生产成本还较高。
 
 
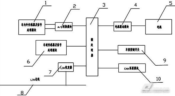
新能源汽车车身智能控制模块
 
新能源汽车车身智能控制模块,包括微处理器、A/D转换模块,车内外传感器及信号处理模块、车速传感器及信号处理模块、电机驱动模块、电机、车窗按键开关、LIN收发器及LIN总线以及CAN拓宽模块。其中车内外传感器及信号处理模块通过A/D转换模块与微控制器交换信号,所述微处理器对车速传感器及信号处理模块、车窗按键开关提供的信号进行反馈处理;所述微处理器通过电机驱动模块对电机进行控制,所述微处理器通过LIN收发器将信号传递到LIN总线上。采用LIN作为控制总线,有效节约了成本;可以根据车速及车内外温差调整车窗升降的速度,避免因骤开骤降导致的车内不稳定。
 
传感器作为纯电动汽车电子控制系统的信息源,是纯电动汽车电子控制系统的关键部件,也是电动汽车电子技术领域研究的核心内容之一。目前,一辆普通家用轿车上大约安装近百只传感器,而豪华轿车上的传感器可达二百余只。据报道,2000年汽车传感器的市场为61.7亿美元,到2008年市场需求量达到14.87亿件。预计到2012年全球汽车传感器市场将上升到135亿美元,全球车用传感器将以9%左右的增长率持续增长。
 
下面,中国传动网编者就为您简要梳理一些国内外一些新能源汽车中用到的传感器:
 
莱姆电子:突破测量极限全球首款SO8、GHS隔离传感器发布
莱姆电子GHS系列产品体积小巧

随着电力电子技术在新能源装备及先进制造业等重要领域的应用更加广泛,作为全球电量传感器领域的领导者莱姆电子,占据全球传感器50%的市场份额。除了对光伏、风电的高度关注,当前莱姆也把发展触角延伸至智能电网、新能源汽车领域等新型产业,并且紧跟市场脉搏,推陈出首款性价比更高、测量精度更准确、功耗更低的SO8封装、集成原边导体的GHS系列隔离式电流传感器。
 
该新品符合最新工业标准,运用开环ASIC技术可精确测量10A到20A的DC/AC脉波电流;采用SO8封装形式将传感器固定在PCB电路板上,缩小体积降低成本又节省空间;同时此系列产品简单易用,并将功耗控制到最小化,实现直流测量和绝缘特性的一致性,从而保证较长的爬电距离和电气间隙。除此之外,模拟电压信号输出功能,使得传感器的增益误差和零漂更加优秀,从40mV/A到80mV/A,典型响应时间为5us。
 
诸多优异特性,使得GHS系列隔离式电流传感器应用领域更加广泛,非常适用于小功率光伏逆变器、UPS系统、小功率储能、10KW及其以下充电模块等领域电流检测。“与传统分流器+光耦技术方案的多器件复杂使用相比,单器件GHS系列传感器功耗更低、发热小,能够快速进行隔离测量效率更高。
 
百度:传感器价格会降下来 无人车将更快走进生活
 
8月17日,百度对硅谷欧陆娱乐雷达厂商VelodyneLiDAR进行了投资,该笔投资还将加速降低传感器生产成本,大大推进其传感器在无人车广泛应用的步伐,加速推动无人车商业化进程。现阶段,百度无人车正在通过自主研发、投资并购、开放合作的方式,全力构筑新生态。
 
9月1日下午,百度高级副总裁、自动驾驶事业部总经理王劲在2016年百度世界大会无人车论坛上表示,百度能够在5年内把主要传感器价格降下来,让无人车更快走进现实生活。
 
今年以来,百度先后与芜湖市政府合作建设“全无人驾驶汽车运营区域”、与上海国际汽车城签约落户无人车路测项目,与乌镇旅游达成战略,与各政府、组织的合作极大加速了无人车的发展。到2016年7月底,百度自动驾驶技术专利的申请数量439项,包括无人车的智能感知与控制、智能检测与定位、高精地图、语音和图像处理、机器学习、无人车测试等国际领先技术。
 

德国米铱:欧陆娱乐传感器助力电动汽车
 
德国米铱公司提供的二维欧陆娱乐传感器,采用非接触测量方式,可以高速精确测量电池转3D尺寸,包括电极高度差和厚度等核心尺寸可以被一次性快速扫描获得。与传统人工检测方式相比,有效率高,精度高,反馈迅速,数据稳定可靠等巨大有点,被越来越多的应用到车用电池组的生产和检测环节。
 
此外,其提供的欧陆娱乐位移传感器,欧陆娱乐轮廓仪,光谱共焦传感器,电容和电涡流传感器,被广泛地应用到智能装备检测的各个环节中。例如,对于智能装备的显示屏检测,通常非常困难,原因是现代显示屏通常由多层透明物质组成,每层物质的厚度检测非常困难。德国米铱公司提供的光谱共焦位移传感器,源于其特殊的测量原理和精湛的制造工艺,可以对不同质地的透明层一次性检测,获得多层厚度参数,且不会接触被测显示屏,避免检测过程中的二次损害。其超高的检测效率,同样适应现代化大规模生产的需要。
 

比亚迪:电流传感器
 
比亚迪电流传感器主力推广BSY、BSX、BSF、BSL、BST系列,所有产品均已通过CE,SGS,ROHS认证。主要应用在UPS、变频器、逆变器、电焊机、发电站、是比亚迪公司科研攻关多年,并在其汽车在成功运行测试后才向市场上推出的,质量有绝对的保证。在双模/纯电动汽车领域运用广泛。
 
优势

1.产品质量高。真空灌胶、独家使用无尘车间生产线生产电流传感器。
 
2.价格竞争力强。
 
3.性能优良。生产BYD电流传感器的设备都是按照汽车级来要求设计(包括可靠性认证实验等各种项目)。
 
4.稳定、环保。BYD电流传感器内部的电路板上的白色的保护胶(防止电路板上的元器件被拉伤)是独有的。其灌封胶是聚氨酯,有别于其他品牌的环氧树脂,环保无污染。
 
5.适应性强。电流传感器内部的龟槽有层缓松胶,可以保证电流传感器在各种环境下的准确度。无论是供货还是质量保证,都由比亚迪股份有限公司全权负责!
 
纵观未来传感器市场,高性能、多功能化、智能化、集成化将成必然发展趋势。从应用领域来看,工业、汽车电子、通信电子、消费电子四部分是传感器最大的市场。国内工业和汽车电子产品领域的传感器占比约42%左右,而发展最快的是汽车电子和通信电子应用市场。
 
随着国内外新能源汽车市场的蓬勃发展,传感器也将迎来“第二春”。

转载请注明出处。

新能源汽车传感器
免责声明

① 凡本网未注明其他出处的作品,版权均属于欧陆娱乐制造网,未经本网授权不得转载、摘编或利用其它方式使用。获本网授权使用作品的,应在授权范围内使 用,并注明"来源:欧陆娱乐制造网”。违反上述声明者,本网将追究其相关责任。
② 凡本网注明其他来源的作品及图片,均转载自其它媒体,转载目的在于传递更多信息,并不代表本媒赞同其观点和对其真实性负责,版权归原作者所有,如有侵权请联系我们删除。
③ 任何单位或个人认为本网内容可能涉嫌侵犯其合法权益,请及时向本网提出书面权利通知,并提供身份证明、权属证明、具体链接(URL)及详细侵权情况证明。本网在收到上述法律文件后,将会依法尽快移除相关涉嫌侵权的内容。

网友点评
0相关评论
精彩导读